
Tepelná čerpadla teorie a princip činnosti
Princip tepelného čerpadla vychází ze zákonů termodynamiky, respektive z první věty: "Množství energie v uzavřené soustavě je konstantní. Energie může být proměněna jen v jinou formu, ale nemůže dojít k její ztrátě nebo nárůstu." a z druhé věty: "Teplo se samovolně přenáší pouze z prostředí s vyšší teplotou do prostředí s nižší teplotou." Pro opačný proces je tedy nutno dodat určité množství energie. Transformaci tepla ze zdroje o nízkém energetickém potenciálu (nízké teplotě) na vyšší potenciál (vyšší teplotu) lze znázornit v levotočivém chladicím Carnotově cyklu. Ten je zobrazen na obrázku 1.
|
Obr. 1: Obrácený Carnotův cyklus Carnotův cyklus popisuje kruhový termodynamický děj ideálního tepelného stroje. Skládá se ze čtyř vratných dějů:
Carnotův cyklus je možné teoreticky využít při chlazení i vytápění. Stejně jako u kompresorových čerpadel je princip absorpčních tepelných čerpadel založen na aplikaci Carnotova cyklu. Více o Carnotově cyklu. |
Druhy tepelných čerpadel
Tepelná čerpadla lze rozdělit podle několika klíčů. Níže je uvedeno několik způsobů, jak lze tepelná čerpadla dělit:
- podle druhu přenosu obnovitelné energie (země-voda, voda-voda, vzduch-voda atd.)
- podle konstrukce (split/kompakt)
- podle pracovního režimu (nízkoteplotní, vysokoteplotní)
- podle řízení výkonu (monovalentní, modulované)
- podle použitého chladiva (syntetická, přírodní)
- podle použití (technologická, domovní, průmyslová)
- podle použité pomocné energie (elektrická, teplem poháněná, plynová, hybridní)
Z pohledu plynových tepelných čerpadel je však zajímavé dělení podle principu činnosti. I když teoretických možností může být více, na trhu se můžeme setkat s tepelnými čerpadly s kompresním cyklem a s tepelnými čerpadly se sorpčním cyklem. Ty můžeme dále dělit takto:
- 1. Tepelná čerpadla s kompresorem
- a) Tepelná čerpadla s kompresorem poháněným elektrickým motorem (EHP)
- b) Tepelná čerpadla s kompresorem poháněným spalovacím plynovým motorem (GHP)
- 2. Sorpční tepelná čerpadla
- a) Absorpční tepelná čerpadla poháněná teplem (AHP)
- b) Adsorpční tepelná čerpadla poháněná teplem (AdHP)
Teorie absorpčního oběhu
V praxi existují dva principiálně odlišné základní typy absorpčních oběhů tepelných čerpadel. Ten první vzniká spojením Carnotova pravotočivého a Carnotova levotočivého oběhu. Druhý typ pak tvoří spojení Carnotova levotočivého oběhu a Carnotova pravotočivého oběhu. Tomuto typu se říká také tepelný násobič nebo transformátor. Ten se využívá zejména v technologických procesech, kde zdrojem oběhu je druhotné teplo, respektive odpadní teplo. V kombinaci s plynovými tepelnými čerpadly se používá první typ Carnotův pravotočivý a levotočivý oběh.
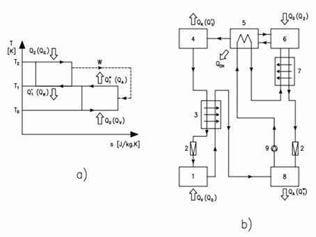
Převedení Carnotova pravotočivého a levotočivého cyklu do praxe si můžeme demonstrovat na jednotce Robur GAHP A. Její schéma a popis je uveden níže.
Celý proces absorpčního oběhu začíná spalováním plynu v hořáku generátoru, čímž se zajistí tepelný příkon. Ten způsobí odpaření amoniaku v generátoru. Páry amoniaku postupují zařízením a jsou vysušeny v rektifikátoru. Chladivo proudí dál a předá energii do topného systému v kondenzátoru/absorbéru (dále jen kondenzátor) kde zkapalní. Trubkový výměník mezi horkým kapalným amoniakem z kondenzátoru a studenými párami amoniaku z výparníku slouží k efektivnějšímu přenosu energie zvýšením hmotnostní chladivosti. Přes trubkový výměník proudí chladivo do výparníku. Zde dochází k poklesu teploty v důsledku odpaření chladiva což umožní získávání obnovitelné energie z okolního prostředí. Proces absorpce začíná v preabsorbéru/regenerátoru (dále jen preabsorbér). Zde jsou páry amoniaku přicházející z výparníku směšovány s absorbentem (chudá směs proudící z generátoru). Vzniklá energie je zde využita pro regeneraci chladicí směsi vracející se do generátoru. Proces je dokončen v absorbéru, kde je energie vzniklá absorpcí předána do topného systému. Směs vody a čpavku je poté čerpána zpět do generátoru pomocí čerpadla chladiva. Proudění kapaliny a změny tlaku jsou řízeny redukčními ventily. Vizualizace celého procesu je pak k shlédnutí zde.
Použité chladivo
Jednostupňové oběhy pracuji obvykle s pracovní látkou NH3/H2O kdy chladivem je amoniak NH3 a absorbentem je voda H2O. Použití chladiva NH3 (R717) jako pracovní látky pro absorpci převládá v široké škále aplikací v důsledku dobrých termodynamických vlastností, zejména vysoké hmotnostní a objemové chladivosti NH3, jeho nízké hodnotě výparného tepla, nízké teplotě tuhnutí, absenci krystalizace, dobré mísitelnosti s vodou a zejména environmentálních aspektů aplikace. Amoniak je přirozeně se tvořící chemická látka, která má nulový vliv na ozónovou vrstvu ODP = 0 (Ozone Depletion Potential) i na skleníkový efekt GWP = 0 (Global Warming Potentials). Rovněž jeho cena je několikanásobně nižší než cena moderních fluorovaných pracovních látek HFC. Ty již sice nemají tak významnou hodnotu ODP jako dříve používané halogenové pracovní látky bez chloru, ale mají stále vysokou hodnotu GWP.
K negativním vlastnostem NH3 naopak patří, že je hořlavý, výbušný, prudce jedovatý a dráždivý. Životu nebezpečné jsou však koncentrace nad 5 000 ppm. Jeho pronikavý zápach tak snižuje nebezpečnost, protože prostředí se stává nesnesitelným již při koncentraci 50 ppm a již od 5 ppm je jeho přítomnost čichem indikovatelná. Náplň všech jednotek vyráběných firmou Robur je do 10 kg přičemž jde o hermeticky uzavřený svařovaný monoblog. Ten je v rámci výroby kusově testován a certifikován. Nevztahují se na něho tedy žádné speicální předpisy.
Další varianty GAHP
Jak je patrné z teorie absorpčního cyklu, lze tuto technologii využít pro topení i chlazení. Z principu dané technologie ale také vyplívá, že efektivita této technologie v režimu chlazení má své limity. Ač byla toto technologie původně vyvinuta k tomuto účelu (absorpční chladnička, následně průmyslové chladiče), dnes se v praxi pro samotné chlazení používá pouze okrajově. Pro svou jednoduchost a spolehlivost je velmi populární u průmyslových aplikacích v rozvojových zemích a to tam, kde je vyžadován velký chladící výkon a není k dispozici dostatečný elektrický příkon. Schéma chladícího okruhu je vidět na obrázku 4. Ze schématu je patrný reverzní chod čerpadla oproti vytápění, kde se kondenzátor mění na výparník a naopak.
Pokud lze teoreticky využít absorpční cyklus pro topení a chlazení nabízí se vytvořit zařízení, které by umělo oba režimy. V praxi se tak mnohem častěji než s chladičem, setkáme s reverzním tepelným čerpadlem, které je primárně navrženo pro vytápění a chlazení má jako jakýsi benefit pro pokrytí těch nejteplejších dní v roce. Tím je reversní absorpční tepelné čerpadlo vzduch/voda GAHP AR. Jde o kombinaci mezi absorpčním tepelným čerpadlem na obrázku 3 a absorpčním chladičem z obrázku 4. Reverzní chod je umožněn díky integrovanému přepínacímu ventilu. Schéma absorpčního reverzního čerpadla je na obrázku 5.
Absorpční technologii lze pak aplikovat i pro variantu země/voda respektive voda/voda. Princip činnosti je opět stejný jako u vzduchového absorpčního tepelného čerpadla, pouze k vypařování chladiva dochází v teplovodním výměníku na místo vzduchového. Tuto jednotku lze připojit k zemnímu či geotermálnímu kolektoru. S lehkou modifikací ji pak lze využít pro aplikace voda/voda. V tomto režimu umí jednotka souběžnou produkci tepla i chladu. Při tomto využití jde o nejefektivnější aplikaci plynových čerpadel vůbec. Schéma zařízení je zobrazeno na obrázku 6.
V reálném provozu je nicméně velmi náročné, najít aplikaci která využije trvalý, konstantní a současný odběr tepla a chladu. Přitom zpětné využití tepla v režimu chlazení, a naopak využití chladu v režimu topení, významně zvyšuje efektivitu aplikace absorpčního cyklu. Proto byla vyvinuta jednotka GA ACF HR. Jde o plynový absorpční chladič se zpětnou rekuperací tepla. Jednotka umí současnou produkci tepla i chladu přičemž teplo, které není odebráno, se umoří ve vzduchovém výměníku. Schéma jednotky je na obrázku 7.
Podrobný popis všech plynových absorpčních jednotek vyráběných firmou ROBUR včetně technických parametrů naleznete na oficiálních stránkách výrobce.
Možnosti aplikace
Nejmenší výkon, ve kterém se absorpční jednotky vyrábějí je 18 kW s možností modulace od 10 kW. Modulace se využívá, pokud jednotka pracuje v monovalentním provozu. Další výkonová řada je 35 kW. Pro pokrytí vyšších výkonů se pak jednotky skládají do kaskády spolu s kondenzačními kotli. Pokud jednotka pracuje v rámci kaskády zdrojů, kaskádový řadič moduluje výkon celé sestavy připnutím potřebného počtu zdrojů o nominálním výkonu. Instalace GAHP v rámci kaskády zdrojů je obvyklým způsobem aplikace. Typické aplikace pro absorpční tepelná čerpadla jsou budovy s tepelnou ztrátou od 50 do 500 kW. Příklady aplikací naleznete v našich referencích.
Rychlý kontakt
Obchod:






